After grinding machine for fine grinding of the worm. Backlash less than or equal to 5 lattices.
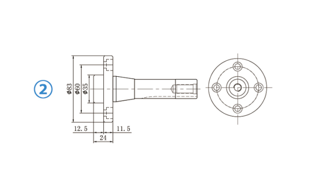
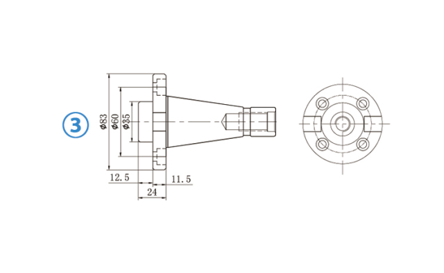
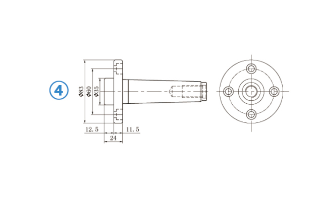
Remark: Type:A is without flange. Type:B is with flange.
|
Type |
Size |
Micro distance |
Micro accuracy |
Modular holder |
||||
|
D |
d |
d1 |
d2 |
L |
||||
|
NBH2084 |
84 |
20 |
35 |
60 |
83 |
28 |
0.01 |
NBH |
|
① |
Type |
Speification |
|
② |
Type |
Speification |
|
BT40 |
M16xP2.0 |
R8 |
7/16"-20UNF |
|||
|
BT50 |
M20xP3.0 |
|
||||
|
③ |
Type |
Speification |
④ |
Type |
Speification |
|
|
NT30 |
1/2"-12UNC |
MT3 |
1/2"-12UNC |
|||
|
NT30 |
M12xP1.75 |
MT3 |
M12xP1.75 |
|||
|
NT40 |
5/8"-11UNC |
MT4 |
5/8"-11UNC |
|||
|
NT40 |
M16xP2.0 |
MT4 |
M16xP2.0 |
|||
|
NT50 |
1"-8UNC |
MT5 |
1"-8UNC |
|||
|
NT50 |
M24xP3.0 |
MT5 |
M24xP3.0 |
|||
|
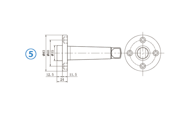
⑤ |
Type |
Speification |
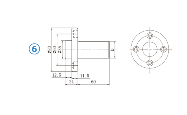
⑥ |
Type |
Speification |
|
|
MT3 |
TANGED |
Φ20 |
20 |
|||
|
MT4 |
TANGED |
Φ25 |
25 |
|||
|
MT5 |
TANGED |
Φ32 |
32 |
|||









